更新時間:2023-02-21 09:22:39
| 產品名稱: | 1161三閥組 | 產品型號: | 聯系我們 |
| 技術參數: | (如需特殊材質可來電咨詢) | 制造標準: | 國標GB、德國DIN、美國API、ANSI |
1161-6000(PSI)C.P.R型三閥組適用于美國羅斯蒙特公司的1151系列電容差壓變送器產品。其作用是從引壓點將信號引入1151系列差壓變送器正、負測量室,使引壓點與測量室接通或斷開,為1151電容變送器不可缺少的配件。
1. 制造標準: ASME B16.34-2004
2. 連接形式:輸入螺紋連接(NPT,G,Rc,Rp…),輸出法蘭連接
3. 結構特征: 錐面密封
4. 閥門檢驗與試驗: API598-1996
5. 公稱壓力:≤6000Psi
6. 適用工作溫度:-29℃~+538℃
7. 適用介質: 水,油,氣等腐蝕性與非腐蝕性介質
8. 材質:碳鋼(A105,20#,35#);不銹鋼(304,304L,316,316L,321)
9. 公稱通徑:DN6

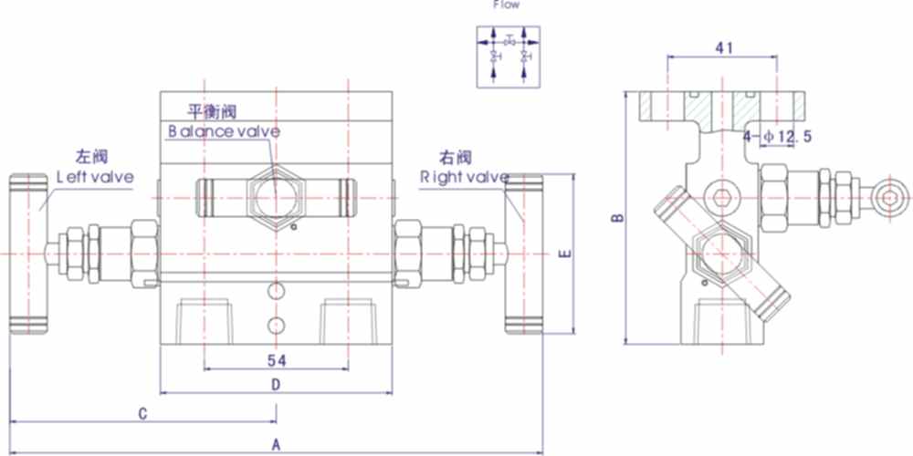
| 貨號 ITEM NO. |
連接尺寸Connections Size |
A | B | C | D | E |
| 1161-6K2 | RF-1/4”NPT | 207 | 95 | 105 | 86 | 60 |
| 1161-6k4 | RF-1/2”NPT | 207 | 95 | 105 | 86 | 60 |
1161三閥組是一種可以精確調整的閥門,用途較廣,比如火焰切割用的割距,調整火焰溫度的旋鈕就是1161三閥組。儀表1161三閥組是儀表測量管路系統中重要組成部分,主要有截止閥和球閥,其功用是作開啟或切斷管道通路用。1161三閥組的閥芯就是一個很尖的圓錐體,好象針一樣插入閥座,由此得名。
1161三閥組形比其他類型的閥門能夠耐受更大的壓力,密封性能好,所以一般用于較小流量,較高壓力的氣體或者液體介質的密封.1161三閥組與壓力表配合使用.一般的1161三閥組形都做成螺紋連接。公稱壓力:PN2.5 PN4 PN6.4 PN16 PN32Mpa 公稱通徑:DN5~DN25 適用介質:油﹑水﹑氣等多種非腐蝕性或腐蝕性介質 適用溫度:-20℃~+440℃ -70℃~-240℃ ≤540℃ ≤570℃等制造材料:20#﹑1Cr18Ni9Ti﹑304﹑316﹑316L﹑12Cr1Mov等
1、公稱通徑6~40mm
2、壓力范圍1.6~42Mpa
3、適用介質水、油品、蒸汽、石油氣等
4、制造標準GB ANSI JIS
1、安裝位置、高度、進出口方向必須符合設計要求,注意介質流動的方向應與閥體所標箭頭方向一致,連接應牢固緊密。
2、閥門安裝前必須進行外觀檢查,閥門的銘牌應符合現行GB標準《通用閥門標志》GB 12220的規定。對于工作壓力大于1.0 MPa 及在主干管上起到切斷作用的閥門,安裝前應進行強度和嚴密性能試驗,合格后方準使用。強度試驗時,試驗壓力為公稱壓力的1.5倍,持續時間不少于5min,閥門殼體、填料應無滲漏為合格。嚴密性試驗時,試驗壓力為公稱壓力的1.1倍;試驗持續的時間符合GB 50243的要求。
1、低溫介質的管路系統和裝置上,宜選用加上閥蓋的低溫1161三閥組。
2、煉油裝置的催化裂化裝置的管路系統上,可選用升降桿式1161三閥組。
3、化工系統的酸堿等腐蝕性介質的裝置和管路系統中,宜選用奧氏體不銹鋼制造的、聚四氟乙烯為閥座密封圈的全不銹鋼1161三閥組。
4、冶金系統、電力系統、石化裝置、城市供熱系統中的高溫介質的管路系統或裝置上,可選用金屬對金屬密封1161三閥組。
5、需要進行流量調節時,可選用蝸輪蝸桿傳動的、氣動或電動的帶V 形開口的調節1161三閥組。
6、石油、天然氣的輸送主管線、需要清掃管線的,又需埋設在地下的,選用全通徑、全焊接結構的1161三閥組;埋設在地上的,選擇全通徑焊接連接或法蘭連接的球閥。
7、成品油的輸送管線和貯存設備,選用法蘭連接的1161三閥組。
8、城市煤氣和天然氣的管路上,選用法蘭連接和內螺紋連接的1161三閥組。
9、冶金系統中的氧氣管路系統中,宜選用經過嚴格脫脂處理,法蘭連接的1161三閥組。
電話:021-57488098
郵箱:6291599
地址:上海市奉賢區新民港路150號
網址:http://m.mc95.cn
在線咨詢
021-57488098